|
JKBC-DP 高精度智能差压变送器
收藏
商品说明
采用单晶硅技术,性能稳定,精度可达0.05%FS; 最高100:1量程比,测量范围调整灵活; 三膜片设计结构,高过载及高静压下仍可放心使用; 接液膜片多材料可选,可测量多种腐蚀介质; 采用高性能EMC防护电路模块,有效降低电磁干扰; 稳定性强可达土0.1%SPAN/5年。 产品介绍: JKBC-DP 单晶硅差压变送器采用德国先进的 MEMS 技术制成的单晶硅传感器芯片,双膜片保护结构,结合精湛的生产工艺,实现了产品的高准精度与超高稳定性。内嵌智能信号处理模块,实现了压力与温度补偿的完美结合,在大范围内的静压和温度变化下提供可靠的测量精度和优异的长期稳定性。 JKBC-DP单晶硅差压变送器可用于测量液体、气体或者蒸汽的液位、密度、压力,并将其转换成4-20mA DC(叠加HART 通信)电流信号输出; JKBC-DP系列产品可提供HART/485-Modbus/FF等通讯协议。 应用行业: 石油/化工/化石 与节流装置配套,提供精准的流量测量管道和贮罐的压力和液位。 电力/城市煤气 要求高稳定和高精度的压力、流量、液位测量等场所。 纸浆/造纸 用于炉膛压力、负压测量等要求高稳定性,高精度测量场所。 钢铁/有色金属/陶瓷 用于要求耐化学液体、耐腐蚀性液体的压力、流量、液位测量场所 机械装备/造船 用于严格控制压力、流量、液位等指标条件下,要求稳定测量的场所。 产品优势: 高精度等级 德国高精度单晶硅传感器芯片,精度可达士0.05%。 抗载能力强 双过载保护膜片设计,单项过压可达25MPa,静压可达40MPa 优异的环境适应性 智能压力补偿和温度补偿,消除了变送器受温度、静压的影响,将现场的综合测试误差降到最低。 优异的长期稳定性 稳定性可保持在0.1FS%/5 年。 灵活的远程协助调试功能 通过Hart、FF总线、RS485通讯和面板按键实现远程、就地参数设定功能组态。 商品参数
产品性能参数:
电磁兼容性附表
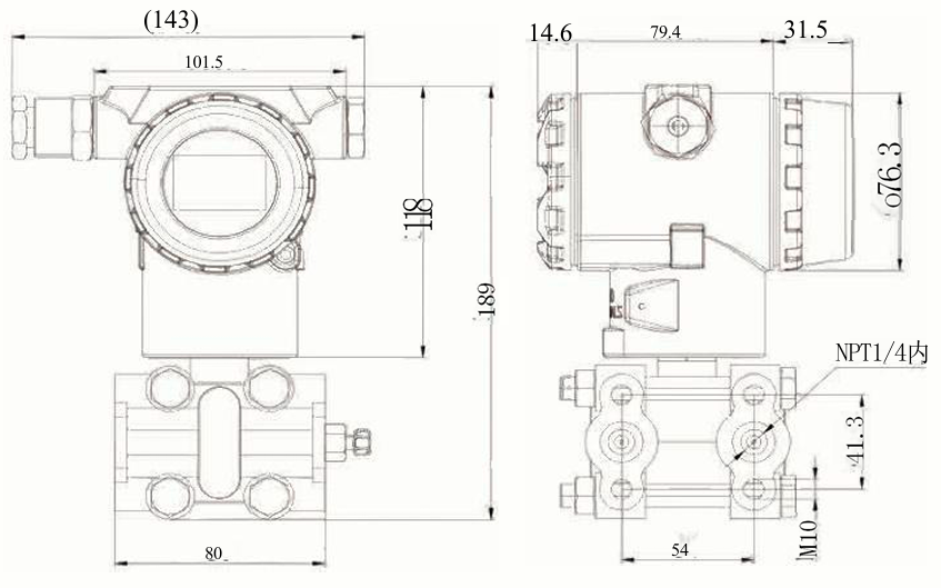
说明:性能等级A级时,在技术规范极限内性能正常。 外形尺寸(mm):
压力接口连接说明(mm ):
电气连接图
产品安装尺寸图
型号和规格代码表:
|
||||||||||||||||||||||||||||||||||||||||||||||||||||||||||||||||||||||||||||||||||||||||||||||||||||||||||||





