|
JKBC-DWF 双法兰远传差压变送器
收藏
商品说明
采用单晶硅技术,性能稳定,精度可达0.075%FS+隔膜系统的影响; 高过载保护膜片,实现大压力过载保护功能; 接液膜片多材料可选,可测量多种腐蚀介质; 采用高性能EMC防护电路模块,有效降低电磁干扰; 产品介绍: JKBC-DWF双法兰远传差压变 送器采用德国先进的 MEMS 技术制成的单晶硅传感器芯片,结合精湛的生产工艺,实现了产品的高准精度与超高稳定性。内嵌智能信号处理模块,实现了压力与温度补偿的完美结合,提供可靠的测量精度和优异的长期稳定性。 JKBC-DWF 双法兰远传差压变送器可用于测量液体、气体或者蒸汽的液位、密度、压力,并将其转换成4-20mA DC(叠加HART通信)电流信号输出; JKBC-DWF 系列产品可提供HART/485-Modbus/FF 等多种通讯协议。 应用行业: 石油/化工/化石 与节流装置配套,提供精准的流量测量管道和贮罐的压力和液位。 电力/城市煤气 要求高稳定和高精度的压力、流量、液位测量等场所。 纸浆/造纸 用于储罐压力、负压测量等要求高稳定性,高精度测量场所。 钢铁/有色金属/陶瓷 用于要求耐化学液体、耐腐蚀性液体的压力、流量、液位测量场所 机械装备/造船 用于严格控制压力、流量、液位等指标条件下,要求稳定测量的场所 产品优势: 高精度等级 德国高精度单晶硅传感器芯片,精度可达士0.05%。 抗载能力强 优异的环境适应性 智能压力补偿和温度补偿,消除了变送器受温度的影响,将现场的综合测试误差降到最低。 优异的长期稳定性 稳定性可保持在0.1%FS/5 年。 灵活的远程协助调试功能 通过Hart、FF总线、RS485 通讯和面板按键实现远程、就地参数设定功能组态。 商品参数
产品性能参数: 电磁兼容性附表:
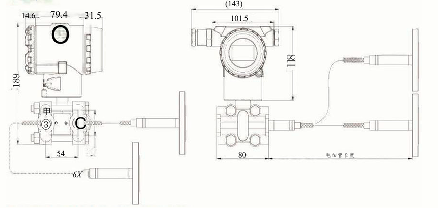
说 明 :性能等级A级时,在技术规范极限内性能正常。 外形尺寸(mm)
电气连接图
法兰尺寸图
注:1、法兰密封面尺寸为非标尺寸,满足现场使用要求; 2、参考重量为不锈钢316L材; 3、特殊法兰尺寸请咨询工程师; 4、用户可选配安装螺栓、螺母。 型号和规格代码表:
注:正负毛细管长度及法兰尺寸不一致时需备注说明。 |
||||||||||||||||||||||||||||||||||||||||||||||||||||||||||||||||||||||||||||||||||||||||||||||||||||||||||||||||||||||||||||||||||




